+36 (52) 316-319
info@steelstep.hu
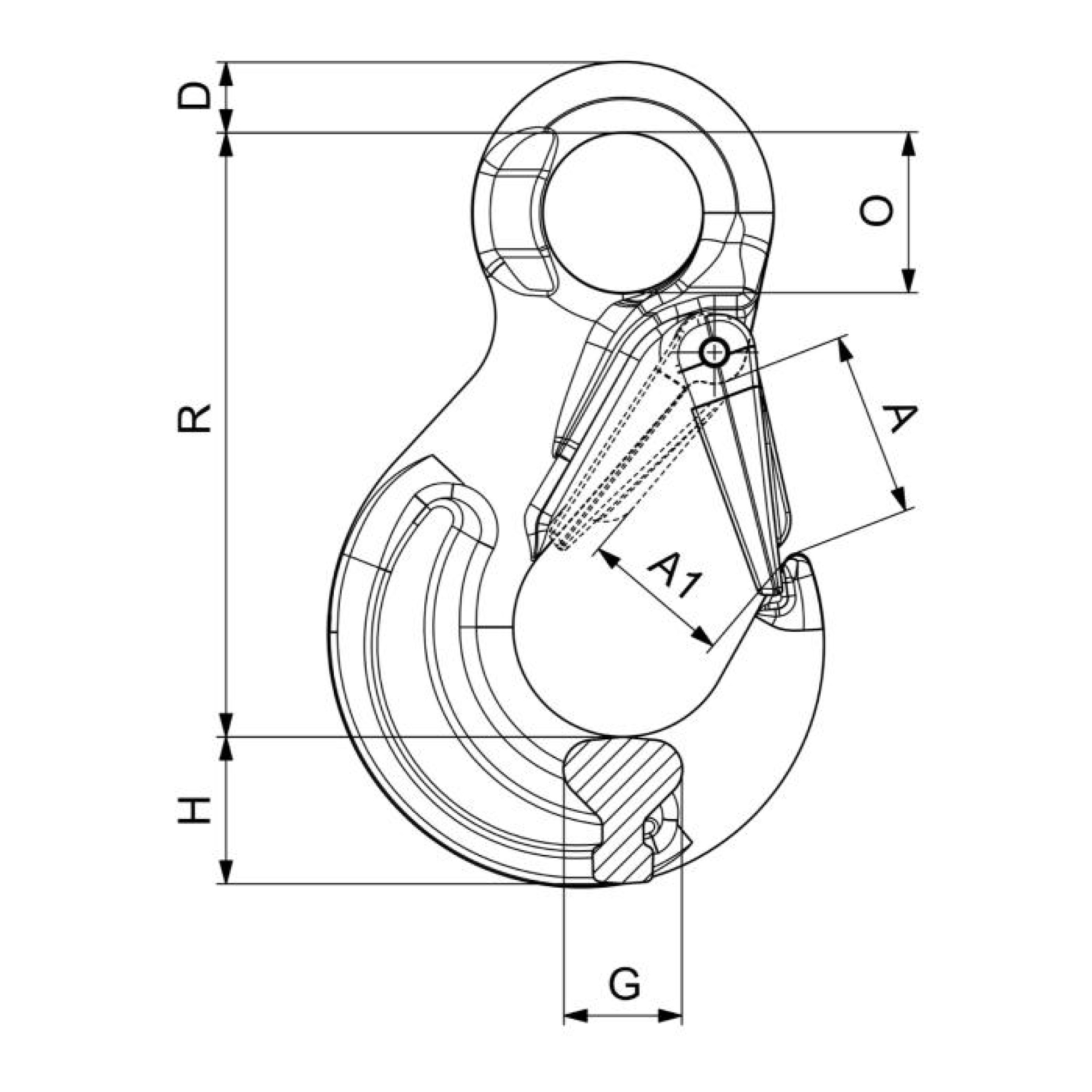
G 80 Szemes horog
G 80 carlig cu ochi si siguranta - G 80 eye sling hook

| Típus |
Teherbírás WLL/To |
O mm |
D mm |
A mm |
R mm |
H mm |
G mm |
Önsúly kg |
| 8 - 6 | 1,12 | 20 | 9 | 24 | 80 | 19 | 14,5 | 0,30 |
| 8 - 7/8 | 2,00 | 25 | 11 | 30 | 98 | 24 | 19 | 0,40 |
| 8 - 10 | 3,15 | 38 | 15 | 34 | 120 | 32 | 23,5 | 0,90 |
| 8 - 13 | 5,30 | 43 | 19 | 39 | 153 | 42 | 29 | 1,70 |
| 8 - 16 | 8,00 | 50 | 23 | 46 | 185 | 48 | 35,5 | 3,20 |
| 8 - 20 | 12,50 | 62 | 24 | 61 | 217 | 53 | 48 | 5,80 |
| 8 - 22 | 15,00 | 62 | 32 | 71 | 224 | 60 | 51,5 | 8,50 |
| 8 - 26 | 21,20 | 64 | 35 | 81 | 237 | 75 | 60 | 13 |
| 8 - 32 | 31,50 | 88 | 37 | 102 | 259 | 89 | 71 | 17 |
Amennyiben a megfelelő termék kiválasztásával, műszaki alkalmasságával kapcsolatban kérdése van, forduljon szakembereinkhez!
Telefon: 06 (52) 316-319